0

Miski wiszące

ROCA ONA Miska WC podwieszana Rimless Compacto z deską wolnoopadającą

ROCA ONA Miska WC podwieszana Rimless Compacto z deską wolnoopadającą
ocena ocena ocena ocena ocena
Price: 1 249,00
Stara cena: 1 411,40
Najniższa cena z ostatnich 30 dni: 1 411,40
Manufacturer: ROCA
Indeks: A34H689000
Status: dostępny od ręki
Wysyłka: 40,00 (prepayment) 80,00 (download)
product Description

ROCA

ONA

REF: A34H689000

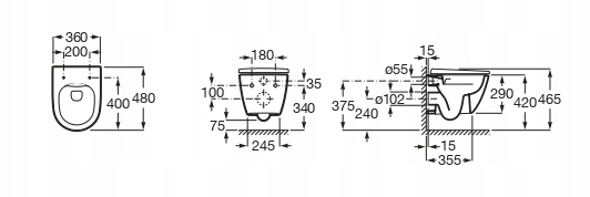
Miska WC podwieszana Rimless Compacto z deską wolnoopadającą (zestaw)

WYMIARY:360 x 480 x 400 mm

(DŁUGOŚĆ, SZEROKOŚĆ, WYSOKOŚĆ)

INFORMACJE O PRODUKCIE

Miska WC krótka Compacto - tylko 48 cm, bezkołnierzowa Rimless, z ukrytym systemem montażu, przystosowana do spłukiwania 4/2, 4,5/3 oraz 6/3l. Deska wolnoopadająca z materiału duroplast, z funkcją szybkiego demontażu.

Bezkołnierzowa

Kształt: Zaokrąglona

Rodzaj odpływu: Poziomy

Sposób montażu: Na stelażu / do ściany

System spłukiwania: Europejski

Zestaw montażowy: W komplecie

parameters
Podstawowe
Stan:Nowy
Comments
This product has no comments yet

Kontakt ze sklepem