Pompy C.O.
GRUNDFOS Pompa cyrkulacyjna z zegarem 15-14 BDT PM
GRUNDFOS Pompa cyrkulacyjna z zegarem 15-14 BDT PM
Price:
849,00
Stara cena:
1 872,10
Najniższa cena z ostatnich 30 dni: 1 872,10
product Description
GRUNDFOS
POMPA CYRKULACYJNA C.W.U
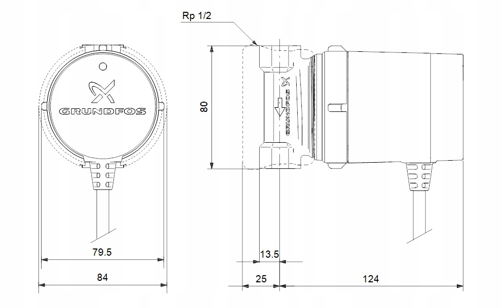
15-14 BDT PM
nr kat. 99812350
PRZEZNACZENIE:
DO CYRKULACJI WODY UŻYTKOWEJ W OBIEKTACH MIESZKALNYCH
COMFORT DIGITAL TIMER to energooszczędna pompa do ciepłej wody przeznaczona do domów jedno- i dwurodzinnych. Pompa posiada dodatkowe sterowanie poprzez funkcję czasomierza, co pozwala na oszczędność energii bez wpływu na komfort.
- Nazwa wyrobu: KOMFORT 15-14 BDT PM
- Nr katalogowy: 99812350
- Numer EAN: 5713834634352
Techniczne
- Prędkości: 1
- H maks: 14 dm
- Klasa TF: 95
- Dopuszczenia na tabliczce znamionowej: CE, VDE, WEEE
Materiały
- Korpus pompy: Wirnik
- Mosiądz: Kompozyt
Instalacja
- Maksymalne ciśnienie pracy: 10 barów
- Rodzaj przyłącza: Rp
- Przyłącze rurowe: 1/2
- Długość montażowa: 80 mm
Ciecz
- Czynnik tloczony: Woda
- Zakres temperatury cieczy: 2 .. 95 °C
- Temperatura cieczy podczas pracy: 60 °C
- Gęstość: 983,2 kg/m³
Dane elektryczne
- Max. Moc wejściowa: 7 W
- Częstotliwość podstawowa: 50/60 Hz
- Napięcie znamionowe [V]: 1 x 230 V
- Pobór mocy przy prędkości 3: 0,07 A
- Rodzaj ochrony (IEC 34-5): IP44
- Klasa izolacji (IEC 85): F
- Wbudowane zabezpieczenie silnika: ELEKT.
- Zabezpieczenie termiczne: Zabezpieczenie impedancyjne
Układy sterowania
- Tryb pracy obejmuje: Regulator czasowy
Inne
- Masa netto: 0,94 kg
- Czas: 1,04 kg
- duński nr VVS: 380634034
- Swedish RSK nr.: 5790548
- Kraj pochodzenia: Z
- Numer taryfy celnej nr.: 84137030
Comments
This product has no comments yet

